国产九九热视频-国产九九视频在线观看-国产九九在线视频-国产久7精品视频-国产久草视频

當前位置: 首頁 > 核心產品 > RFID產品 > RFID模塊 > 134.2K低頻模塊IVY134HA1

134.2K低頻模塊IVY134HA1
  • 產品說明
  • 主要特征
  • 技術指標
  •  1. 簡介

    IVY134HA1是廣州艾韋迅信息科技有限公司開發的134.2K低頻模塊,屬于IVY134H系列低頻讀卡模塊中的一員。產品采用HDX調制技術,完全兼容ISO11784/85標準協議。IVY134HA1通過UART進行通信,用戶只需通過UART發送簡單的命令便可完成對HDX標簽的讀操作,而無需理解復雜的射頻通信協議。

    134.2K低頻模塊


    2. 選型指南

    2.1IVY134H系列模塊命名規則

    模塊

    2.2選型表

    IVY134H系列模塊訂購信息如表

    型號直插式貼片式UARTRS232RS485USB讀卡類型

    IVY134HA1√——√        ——————ISO11784/85(HDX)

    IVY134HA2√————√        ————ISO11784/85(HDX)

    IVY134HA3√——————√        ——ISO11784/85(HDX)

    IVY134HA4√———————— √ISO11784/85(HDX)


    4. 硬件描述

    4.1管腳說明

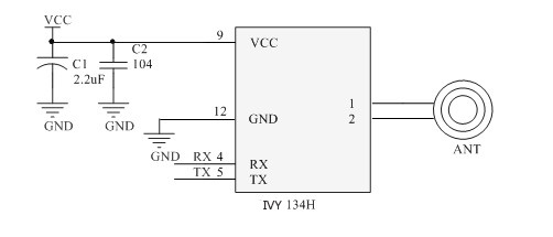
    IVY134HA1模塊采用直插焊接方式,可方便的鏈接到PCB板上。

    管腳 

    器件管腳說明列表

    管腳符號功能

    1          ANT1天線引腳1

    2          ANT2天線引腳2

    4           RXUART數據接收管腳

    5           TXUART數據接發送腳

    6            NC-

    7           NC-

    8            NC-

    9         VCC電源3.3V

    10          GND地

    注:UART的波特率默認為9600bit/s,有特殊要求的用戶請事先向銷售工程師說明。

    4.2接口方式和典型應用

    4.3接口方式

    IVY134HA1通過UART進行通信,用戶只需通過UART發送簡單的命令便可完成對ISO11784/84標簽卡的讀取操作。典型應用電路圖如圖所示。

     電路

    4.4UART通信協議

    4.5數據格式

    UART數據幀格式:1個起始位、8個數據位、無奇偶校驗位、1個停止位。

    波特率:19200bps

    數據格式:8字節數據,低位在前,格式為7字節數據+1字節校驗和(異或和)。例如卡片輸出數據為0x11 0x12 0x13 0x14 0x15 0x16 0x17 0x10,則校驗和計算:0x11^0x12^0x13^0x14^0x15^0x16^0x17=0x08)。

    4.6串口命令

    oxAA:讀卡命令,操作成功后返回7字節卡號和1字節校驗和。

    0xBB:關閉天線命令,操作成功后模塊進入低功耗模式并返回0xB1。

    功能說明:模塊上電后默認進入低功耗模式,此時天線處于關閉狀態。接收到0xAA命令后,模塊打開天線并進行讀卡操作,讀卡成功后模塊自動進入低功耗模式,如果要再次讀卡則需重新發送0xAA命令;如果讀卡失敗,模塊將一直處于讀卡模式直到讀卡成功或者接收到0xBB命令。


    5. 機械尺寸

    IVY134HA1機械尺寸如圖所示。

     尺寸

    長:27.94mm

    寬:16.51mm

    管腳間距:2.54mm


    6. 免責聲明

    ●開發預備知識

    IVY134H系列模塊將盡可能提供全面的開發模板、驅動程序和應用說明文檔以方便用戶使用,但也需要用戶熟悉自己設計產品所采用的硬件平臺及C語言相關知識。

    ●EMI與EMC

    IVY134H系列模塊機械結構決定了其EMI性能必然與一體化電路設計有所差異。系列模塊的EMI性能滿足絕大部分應用場合,用戶如有特殊要求,必然事先與我們聯系。

    IVY134H系列模塊的EMC性能與用戶地板的設計密切相關,尤其是電源電路、I/O隔離、復位電路,用戶在設計底板時必須充分考慮以上因素。我們將努力完善模塊的電磁兼容性,但不對用戶最終應用產品的EMC性能提供任何保證。

    ●修改文檔的權利

    廣州艾韋迅信息科技有限公司保留任何時候在沒有事先聲明的情況下對IVY134H系列模塊相關文檔修改的權利。

    ●ESD靜電放電保護

    IVY134H系列模塊部分元件內置ESD保護電路,但當模塊的惡劣的環境中使用時,依然建議用戶在設計底板時提供ESD保護措施。安裝IVY134H系列模塊時,為確保安全請先將積累在身體上的靜電釋放,如佩戴可靠接地的靜電環等;焊接過程中也應該注意釋放靜電,如確保焊接設備接地良好等。

    134.2K低頻模塊IVY134HA1具有以下特點:

    ◆體積小巧,易于集成到設備中;

    ◆產品采用HDX技術,完全兼容ISO11784/85標準;

    ◆讀耳標距離10-15cm(與天線尺寸和耳標性能有關);

    ◆UART通信接口,操作簡單;

    ◆超低功耗,在停機模式最低只有3μA;


    134.2K低頻模塊IVY134HA1極限參數

    工作溫度…………………………………………………………………………-20℃~+85℃

    貯存溫度……………………………………………………………………… -40℃~+125℃

    供電電壓(vcc to vss)……………………………………………………………-0.3V~+4.2V

    管腳對地電壓……………………………………………………………………-0.3V~+6.0V

    每個管腳最大IOL…………………………………………………………………    ±2mA

    相對濕度 …………………………………………………………………………  5%~95%

    注:超出“絕對最大額定值”條件下工作會造成器件的永久損壞。以上未涉及器件在這些條件或超出這些條件下的功能操作。器件不能長時間在絕對最大額定值條件下工作,否則會影響其可靠性。

    3.2直流特性

    測試條件Temperature=+25℃。

    表 3.1器件直流特性表

    符號參數        測試條件最小值典型值最大值單位

    VCC工作電壓                  2.7         3.3             3.6V

    IDC1電流消耗正常模式45           70            80mA

    IDC2電流消耗待機模式10           18           25        mA

    IDC3電流消耗停機模式3            4            6          μA

    VIL       輸入低電平           VSS             VSS+0.6   V

    VIH       輸入高電平       0.8VCC                 VCCV

    VOL輸出低電平 I(OLMAX)=-6mA VSS     VSS+0.6V

    VOH輸出高電平 I(OHMAX)=6mA VCC-0.6VCCV


    相關產品

    相關文章