国产九九热视频-国产九九视频在线观看-国产九九在线视频-国产久7精品视频-国产久草视频

當前位置: 首頁 > 核心產品 > RFID產品 > RFID模塊 > 天線分體MFRC500開發的IC卡讀寫模塊IVY500D

天線分體MFRC500開發的IC卡讀寫模塊IVY500D
  • 產品說明
  • 主要特征
  • 技術指標
  •  1. 簡介

    IVY500D系列IC卡讀寫模塊采用NXP公司高集成度讀卡芯片 MFRC500開發而成,具有體積小、可靠性高等特點。產品完全兼容ISO14443A標準協議,可支持對Mifare S50、Mifare1 S70、Mifare UltraLight等卡片的讀寫操作。 

    模塊內部集成了ISO14443A協議,開發人員只需通過通信接口發送簡單的命令便可以完成對IC卡的讀寫操作,而無需理解復雜的IC卡通信協議;詳盡的開發文檔和完善的開發例程可大大減少您的產品開發難度,縮短產品開發周期,幫助您方便、快捷地將當今最流行的非接觸式IC卡技術融入您的系統中。

     IC卡讀寫模塊


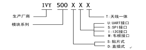
    2. 選型指南

    2.1IVY500D列模塊命名規則

    模塊

    2.2選型表

    IVY500D系列模塊訂購信息如表。

    型號直插式貼片式UARTSPI        I2C天線一體

    IVY500DU√——√         —— ————

    IVY500DS√————√        ————

    IVY500DI√—————— √        ——

    IVY500DUT√——√        ————  √ 

    IVY500DST√————√       ——      √

    IVY500DIT√——————   √          √


    4. 硬件描述

    4.1管腳說明

    IVY500D管腳分布如圖所示。

    管腳

    器件管腳說明列表

    管腳  符號功能

    1GND天線GND

    2TX1天線發射引腳TX1

    3GND天線GND

    4TX2天線發射引腳TX2

    5GND天線GND

    6RX1天線接收引腳TX2

    7SCLK保留

    8SDA保留

    9SS保留

    10VCC模塊電源引腳

    11RST模塊復位引腳

    12GND模塊電源地

    13RXDUART數據接收管腳RXD

    14TXDUART數據發送管腳TXD

    注:UART的波特率默認為19200bit/s,有特殊要求的用戶請事先向銷售工程師說明。


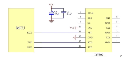
    4.2接口方式和典型應用

    4.3接口方式

    IVY500D通過UART進行通信,用戶只需通過UART發送簡單的命令便可完成對IC卡的讀、寫操作。典型應用電路圖如圖 3.2所示。

    電路

    5. 通信協議

    5.1UART通信接口

    UART數據幀格式:1個起始位、8個數據位、無奇偶校驗位、1個停止位。

    波特率:19200bps

    主機每發送一個命令,模塊都有應答。正常通信時,一幀數據中,發送兩個字節數據的時間間隔不能大于6ms,若大于6ms,則作為超時處理。



    6. 免責聲明

    ●開發預備知識

    IVY500系列模塊將盡可能提供全面的開發模板、驅動程序和應用說明文檔以方便用戶使用,但也需要用戶熟悉自己設計產品所采用的硬件平臺及C語言相關知識。

    ●EMI與EMC

    IVY500系列模塊機械結構決定了其EMI性能必然與一體化電路設計有所差異。系列模塊的EMI性能滿足絕大部分應用場合,用戶如有特殊要求,必然事先與我們聯系。

    IVY500系列模塊的EMC性能與用戶地板的設計密切相關,尤其是電源電路、I/O隔離、復位電路,用戶在設計底板時必須充分考慮以上因素。我們將努力完善模塊的電磁兼容性,但不對用戶最終應用產品的EMC性能提供任何保證。

    ●修改文檔的權利

    廣州艾韋迅信息科技有限公司保留任何時候在沒有事先聲明的情況下對IVY500系列模塊相關文檔修改的權利。

    ●ESD靜電放電保護

    IVY500系列模塊部分元件內置ESD保護電路,但當模塊的惡劣的環境中使用時,依然建議用戶在設計底板時提供ESD保護措施。安裝IVY500系列模塊時,為確保安全請先將積累在身體上的靜電釋放,如佩戴可靠接地的靜電環等;焊接過程中也應該注意釋放靜電,如確保焊接設備接地良好等。

    天線分體MFRC500開發的IC卡讀寫模塊IVY500D具有以下特點:

    ◆四層PCB設計,具有高可靠性和良好的EMC性能;

    ◆頻率13.56MHz,完全兼容ISO14443A標準協議;

    ◆支持對Mifare S50、Mifare1 S70、Mifare UltraLight等卡片的讀寫操作;

    ◆支持RC500 內部EEPROM加載密碼,高安全性;

    ◆多種通信接口,可選UART、RS232、SPI接口;

    ◆開發簡單,可提供詳盡的開發文檔和完善的C51開發例程;

    ◆體積小巧,易于集成到設備中;

    ◆天線分體設計,應用更加靈活;


    天線分體MFRC500開發的IC卡讀寫模塊IVY500D電氣參數

    3.1極限參數

    工作溫度…………………………………………………………………………-20℃~+85℃

    貯存溫度……………………………………………………………………… -40℃~+125℃

    供電電壓(vcc to vss)…………………………………………………………-0.3V~+5.5V

    管腳對地電壓……………………………………………………………………-0.3V~+5.0V

    每個管腳最大IOL…………………………………………………………………    ±2mA

    相對濕度 …………………………………………………………………………  5%~95%

    注:超出“絕對最大額定值”條件下工作會造成器件的永久損壞。以上未涉及器件在這些條件或超出這些條件下的功能操作。器件不能長時間在絕對最大額定值條件下工作,否則會影響其可靠性。

    3.2直流特性

    測試條件Temperature=+25℃。

    表 3.1器件直流特性表

    符號參數         測試條件最小值典型值最大值單位

    VCC工作電壓                    4.5       5.0       5.5V

    IDC1電流消耗正常模式110               115   125mA

    IDC2電流消耗待機模式20                 22     35mA

    VIL        輸入低電平                  VSS      VSS+0.6   V

    VIH        輸入高電平                0.8VCC           VCC  V

    VOL輸出低電平I(OLMAX)=-6mAVSSVSS+0.6   V

    VOH輸出高電平I(OHMAX)=6mAVCC-0.6VCC    V